Каталог продукції
Онлайн вітрина
О компанії
Click to order
Ваше замовлення
Total:
Імя
Телефон
Ваш email
Коментар до замовлення
Зберегти заповнені дані, щоб не вводити їх щоразу
Відправити замовлення
Каталог
→
Накладні замки - циліндрові
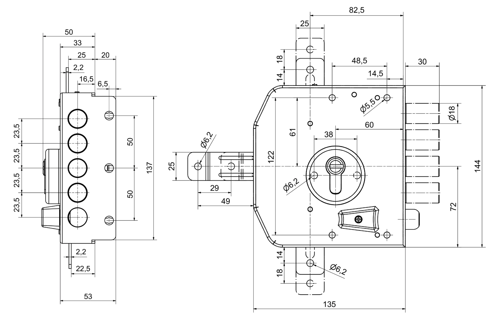
СЕРІЯ
415CE
СХЕМА ЗАМКУ СЕРІЇ 415CE
Модифікаціі і різновиди замків серіі 415CE
415CE - додатковий
Накладний циліндровий замок, 5 ригелів
435CE - основний
Накладний циліндровий замок, 4 ригеля, заціпка
495CE - додатковий з тягами
Накладний циліндровий замок, 5 ригелів, тяги
515CE - основний з тягами
Накладний циліндровий замок, 4 ригеля, заціпка